You’ve found the new card catalog function of the Bullnose Library. This is under construction and doesn’t have all of the cards in the catalog yet. But please feel free to try it out and let us know what you think.
Note: Internal grid filters are legacy. Use the main filter bar above.

605892-S
No cover
Tape And Decal Application
No cover
EFI
No cover
Electrical Components
No cover
Engine Swaps

Engines – Gas

1983-87 F350 Chassis Cab DRW Fuel System Illustrations

1985 Explorer
No cover
Speedometer Gears, Cables, & Sensors

Carpet
No cover
Drive Shafts
No cover
Frames

Boots
No cover
TSB’s

1986 Color & Trim Selection Options

Dual Snorkel Air Cleaner

300 Six

Centurion
No cover
Crankshaft Interchange
No cover
LTC

Bronco Roof
No cover
Exterior
No cover
Electric Windows & Locks

81-06-17 Rear Parking Brake Cables

1982 Accessories Catalog
No cover
Entrant #13: Ratdude747’s ’95 Ranger
No cover
Kelsey Electric Brake Controller Installation Instructions

Alignment

E1TZ 13032-A
No cover
Manual Transmission Applications
No cover
N606702-S36

Engine Cooling System Training Manual
No cover
Electronic Engine Control
No cover
Warning Indicators
No cover
How To Use This Manual
No cover
Section 10 – Thermactor Systems

91-25-07 IAC Bypass

1986 Trailer Towing Guide

Car & Driver 1980 Bronco Test
No cover
Section 22 – Diesel Diagnostics 2L
No cover
General Steering Service

1983 XLS Survivor

81-6-21 Power Valve Vacuum Hose
No cover
Diesel Injector Pump Interchange

1983 Owner Guide

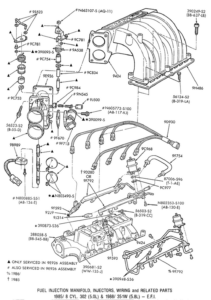
1985 F-Series 302 w/EFI
No cover
Entrant #32: Clifton’s Tessa

Wheel Hubs & Bearings – Rear (Semi-Floating Axle)

1985 Owner Guide
No cover
Saginaw Conversions
No cover
Pulleys
No cover
Grounds
No cover
Emissions Info

Compressor & Clutch Overhaul – Dealer Installed AC Systems
No cover
N623333-S2
No cover
Smilies

Engine Control – 7.5L EEC-V

83-11-12-S Stall/No Start/Hessitation
No cover
Rear Bumper And Spare Tire Carrier

Engines – Diesel
